Utilisez ce rail de montage de profil C de la marque Erico pour fixer solidement vos chemins de câbles électriques ou vos canalisations.
- Rail de montage de type C
- Formé à froid
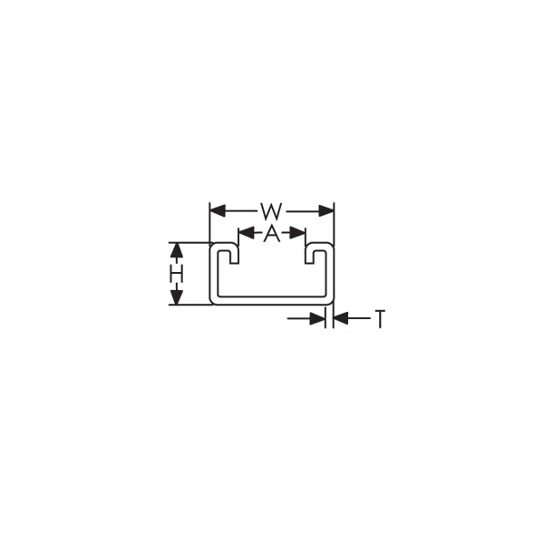
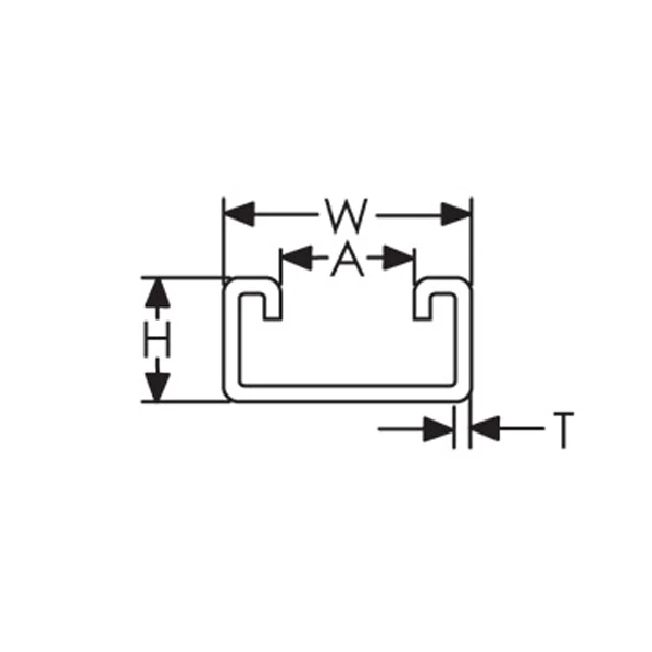
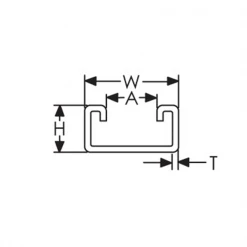
Caractéristiques techniques
| Conditionnement | 1 rail de montage profil C avec trous oblongs Erico |
| Composition | Acier |
| Finition | Prégalvanisé |
| Longueur (L sur le dessin) | 3 000 mm |
| Hauteur (H sur le dessin) | 21 mm |
| Largeur (W sur le dessin) | 41 mm |
| Épaisseur (T sur le dessin) | 2,5 mm |
| A | 22,3 mm |
| B | 14 mm |
| C | 27 mm |
| D | 50 mm |
| Certification | ITB |




















Avis
Il n’y a pas encore d’avis.