Utilisez cette console de profil de montage type E0 de la marque Erico pour l’installation de vos réseaux de câbles ou de tuyaux.
Applications :
- Rails profilés en C
- Fixation rapide et efficace de chemins de câbles électriques ou de canalisations
Caractéristiques techniques
| Conditionnement | 1 console de rail murale type E0 Erico |
| Composition | Acier |
| Finition | Électrozingué |
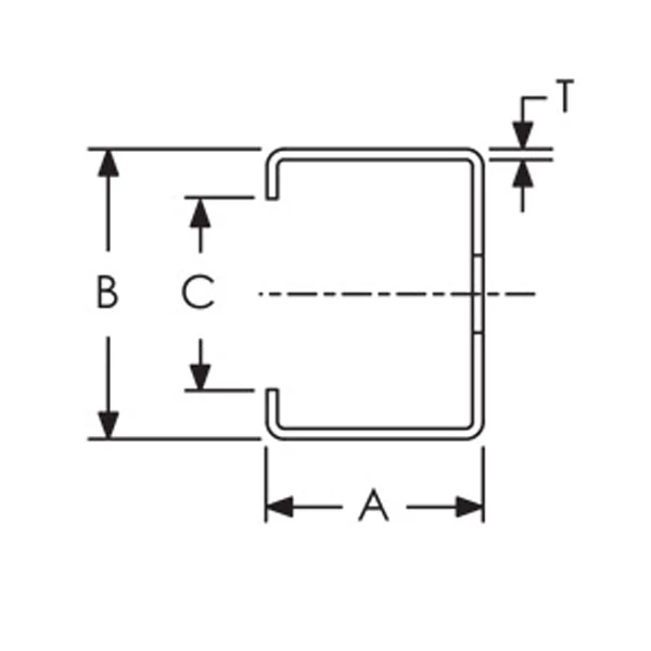
| Longueur (L sur dessin) | 660 mm |
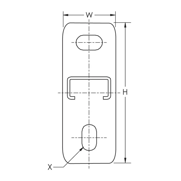
| Hauteur (H sur le dessin) | 120 mm |
| Largeur (W sur le dessin) | 40 mm |
| Épaisseur (T sur le dessin) | 1,50 mm |
| A sur le dessin | 30 mm |
| B sur le dessin | 27 mm |
| C sur le dessin | 15,50 mm |
| D sur le dessin | 60 mm |
| E sur le dessin | 6 mm |
| X sur le dessin | 11 x 18 mm |
| Y sur le dessin | 8,50 x 20 mm |
| Dimension du trou (HS sur le dessin) | 10,50 mm |
| Certification | ITB |
| Poids | 990 grammes |





















Avis
Il n’y a pas encore d’avis.